立式膏、液體灌裝機適用于醫藥、日化、食品、農藥及特殊行業,是理想的粘度流體充填設備。該立式膏、液體灌裝機物料接觸部分均采用

產品名稱:單頭立式膏液體灌裝機
設備簡介:單頭立式液體灌裝機是本公司先進灌裝機技術的基礎上,進行改造和創新的產品,通過氣缸帶動一個活塞來抽取和打出物料用單向閥控制物料流向,用磁簧開關控制氣缸的行程,即可調節灌裝量。其結構更加簡單合理,精確度高,操作更加簡便,是貴公司填充高務的理想選擇。
設備型號:DLY單頭立式
適用范圍:適用于醫藥、日化、食品、農藥及特殊行業,是理想的粘度流體充填設備,主要用于針對洗液、護理液、口服液、消毒液、粉底液、防凍液、護發液、洗 手液、護膚液、洗發液、洗眼液、營養液、注射液、農藥、醫藥、洗潔凈、沐浴露、香水、食用油、潤滑油及特殊行業的液體灌裝。
技術參數:
電源 | 220/110V 50/60Hz |
功率 | 10W |
氣壓 | 0.4-0.6MPa |
灌裝速度 | 10-30瓶/分 |
灌裝精度 | ≤±1﹪ |
可選機型 | 5-60ml 10-125ml 25-250ml 50-500ml 100-1000ml 250-2500ml |
原理及特點:
* 該機為半自動活塞式膏體灌裝機。
* 該機設計合理,機型小巧,立式結構,節省場地。
* 操作方便,氣動部分均采用德國FESTO和臺灣AirTac的氣動元件。
* 物料接觸部分均采用316L不銹鋼材料制成,符合GMP要求。
* 灌裝閥由電磁閥控制,灌裝精度更高。
* 灌裝量和灌裝速度均可任意調節。
* 灌裝悶頭采用防拉絲及升降灌裝裝置。
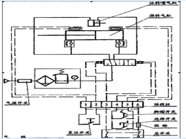
設備灌裝流程及控制系統電路圖:

使用指南:
本產品只使用于灌裝液體等低濃度物品,不可用于其他用途。為確保安全生產,請仔細閱讀一下注意事項;
1、使用符合本機規定的電源和氣源(詳見本書中機器技術參數)。
2、在拆洗本機前,請一定要關閉氣源和電源。
3、本機后半部分(靠近控制按鈕),內部裝有電氣控制元件,無論在什么情況下都不要用水直接沖洗機身,否則會有觸電的危險,損壞電氣控制元件。
4、為防止觸電,本機要有良好的接地,請為本機配一個由地線的電源插座。
5、關閉電源開關后,本機電氣控制中部分電路還有電壓存在,故檢修控制線路時務必將電源線拔掉。
日常保養:
1、為保持機身不銹鋼光潔,請勿用尖。硬的利器刮起表面,如有污漬,請用酒精擦拭。
2、氣缸在出廠時已加好潤滑油,請勿拆開氣缸或添加任何潤滑油。
3、本機的單向閥,不銹鋼三通、料缸豆能方便的拆洗。
設備平面解析圖:

機器補充說明:本機主要適用于食品、日化、農藥及特殊行業的理想填充設備。本設備在工作過程中將受以下因素的影響;
A、DLY半自動活塞式單頭液體灌裝機的灌裝精度受以下因素影響:壓縮空氣的穩定性、物料的均勻性、灌裝速度等。
B、DLY半自動活塞式單頭液體灌裝機的灌裝速度受以下因素影響:物料的粘度、氣缸的行程、料缸的尺寸、灌裝嘴大小、操作者的熟練程度等。
C、本機有兩種灌裝方式,腳踏灌裝和連續灌裝,兩種灌裝方式可以任意切換。根據工人的熟練程度,為保持車間的整潔和避免物料的浪費,剛開始建議你選擇腳踏灌裝。
設備灌裝效果展示:


相關產品:1.手動膏液灌裝機
2.食用油灌裝機
3.收縮機
